Le relais VHF des Brasses F1ZJV 74

Relais FM ADRASEC 74

Localisation : Locator JN36FD – Massif des Brasses (Haute Savoie)
Fréquences : Canal VHF R7X (TX 145’787.5MHz RX 145’187.5MHz)
Concepteur et gestionnaire du relais : Herve BOEX F4CXQ

Les Préalpes. Sur la petite île -au centre- qui émerge du stratus, le relais des Brasses F1ZJV (74), altitude 1504 m !
Crédit photo : Christophe Suarez F5PGP


La pointe des Brasses (1504m) – Crédit photo : Christophe Suarez F5PGP

Station de ski des Brasses – Crédit Photo F4CXQ


Le relais des Brasses F1ZJV – Crédit Photo F4CXQ

Le Relais des Brasses vu du ciel par F4DCJ
Merci à notre ami Philippe F4DCJ de Bogève qui a réalisé avec son drone une petite vidéo très sympa pour vous permettre de découvrir le point haut hébergeant le relais vu du ciel. Pour des raisons de performance et de qualité, cette vidéo doit être visionnées sur YouTube.

Survol des Brasses – Crédit Photo & Video : Philippe F4DCJ


Spécifications

Ce relais a été mis en place pour couvrir une grand partie du département pour les opérations de secours et d’exercice de l’association des radioamateurs de l’ADRASEC74 qui est prioritaire pour son exploitation.
En dehors de ces périodes , le relais est ouvert à tous les radio amateurs autorisés, dans le cadre d’un usage raisonnable.

Le relais fonctionne en mode FM avec 15Khz de bande passante maximum,

Information de F4CXQ (22.09.2024)
Pour permettre l’ajout de nouvelles fonctions dédiées à l’ADRASEC
tous les services numériques (DMR C4FM NXDN…) vont être arrêtés définitivement sur le relais F1ZJV les Brasses
début 2025.

Hervé F4CXQ
Concepteur , constructeur et gestionnaire du relais

Utilisation simplifiée

Mode analogique :
Le relais se déclenche par détection de porteuse et ne transmet pas de K au relâché du micro.

CCTSS : Si vous ne souhaitez plus entendre les trames numériques sur votre récepteur analogique,
programmez le CTCSS 74.4 pour le canal R7X utilisé par le relais des Brasses.
(Modification du 12.02.2023)

La cabane du relais – Crédit photo F4CXQ
F1ZJV Couverture Locale
Carte de couverture radio calculée avec RadioMobile https://www.ve2dbe.com/
F1ZJV Couverture DX
Carte de couverture radio calculée avec RadioMobile https://www.ve2dbe.com/

Caractéristiques techniques du Relais

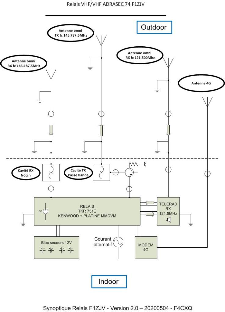
Le cœur du relais est composé d’une unité répéteur TKR 751E Kenwood modifiée.
La machine gère ses alimentations principales et secours.
Elle permet aussi la gestion par télécommande des d’entrées/sorties analogiques et digitales.

Relais Kenwood TKR751E

La voie « Réception » est composée d’une antenne Kathrein K552626 omnidirectionnelle en polarisation verticale
La liaison antenne-machine est réalisée par un coaxial LDF-4 avec mise à la terre aux deux extrémités de la ligne (Protection foudre).
Dans la ligne de réception, 3 cavités « Notch » Bird sont réglée sur 145’787.5MHz , fréquence d’émission du relais .

La voie « Emission » est également composée d’une antenne Kathrein K552626 omnidirectionnelle en polarisation verticale.
La liaison antenne-machine est réalisée par un coaxial LDF-4 avec mise à la terre aux deux extrémités de la ligne (Protection foudre).
Dans la ligne émission, 2 cavités « PassBand » Kathrein réglée sur 145’787.5MHz , fréquence d’émission du relais .
Un isolateur protège la voie émission de toute désadaptation.

– Fréquence d’entrée : 145’187.5MHz
– Fréquence de sortie : 145’787.5MHz
– Bande passante maxi : 15KHz
– Puissance Maxi à l’antenne : 20W HF (43dBm)

L’isolation TX/RX et obtenu par le couple des deux cavités et la distance entre antenne TX et RX.
L’alimentation de secours est constituée de deux Batteries au Gel 12V/90Ah.
La machine possède aussi une antenne et un récepteur 121.5MHz.
Cette fonction d’écoute déportée est télécommandée par l’ADRASEC 74.

Un commentaire

Les commentaires sont fermés.